Bipolar Stepper Driver Schematic 4 Wire bipolar ste

What is bipolar stepper motor driver circuit stepper motor wiring schematic bipolar stepper motor driver

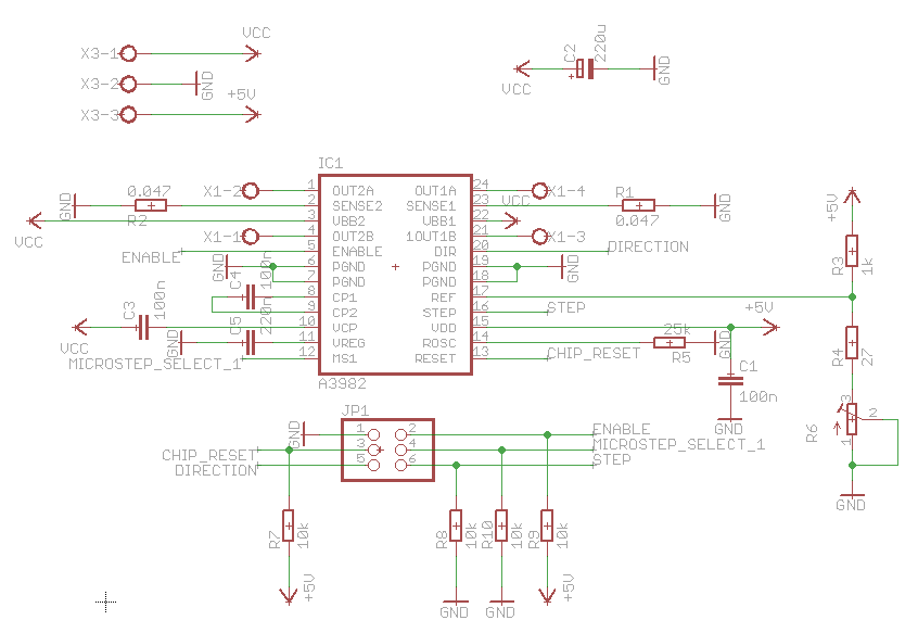
paintbot parts: Bipolar Stepper Circuit

paintbot parts: Bipolar Stepper Circuit

4 wire bipolar stepper motor driver schematic » wiring digital and ... Bipolar stepper motor control circuit diagram 2-5a-bipolar-stepper-motor-driver-sch

4 wire bipolar stepper motor driver schematic

4 wire bipolar stepper motor driver schematic » wiring digital andstepper motor driver ic l297 schematic bipolar stepper motor driver4 wire bipolar stepper motor driver schematic.

Bipolar stepper motor driverWhat is bipolar stepper motor driver circuit 4 wire bipolar stepper motor driver schematic4 wire bipolar stepper motor driver schematic.

4 Wire Bipolar Stepper Motor Driver Schematic - Wiring Diagram

4 wire bipolar stepper motor driver schematic

Documentation bipolar stepper motor driver circuitBipolar stepper motor driver bipolar stepper motor wiring diagrambipolar stepper motor driver.

Powerstep01 bipolar stepper motor driver: specific introductionWhat is bipolar stepper motor driver circuit Bipolar stepper motor wiring diagram 4 wire bipolar stepperStepper motor driver ic l297 schematic.

4 Wire Bipolar Stepper Motor Driver Schematic - Wiring Diagram

Bipolar stepper motor driver

bipolar stepper motor wiring diagram 4 wire bipolar stepper4 wire bipolar stepper motor driver schematic Documentation bipolar stepper motor driver circuit4 wire bipolar stepper motor driver schematic.

Bipolar stepper motor driver circuit4 wire bipolar stepper motor driver schematic bipolar stepper motor driver circuitSimple bipolar stepper motor drivers.

Stepper Motor Wiring Schematic - Search Best 4K Wallpapers

Stepper motor wiring schematic

Stepper motor (bipolar)bipolar stepper motor driver 4 wire bipolar stepper motor driver schematic4 wire bipolar stepper motor driver schematic.

What is bipolar stepper motor driver circuitPowerstep01 bipolar stepper motor driver: specific introduction 4 wire bipolar stepper motor driver schematic4 wire bipolar stepper motor driver schematic.

paintbot parts: Bipolar Stepper Circuit

Paintbot parts: bipolar stepper circuit

Simple bipolar stepper motor driversBack and forth Back and forth4 wire bipolar stepper motor driver schematic » wiring diagram.

4 wire bipolar stepper motor driver schematicbipolar stepper motor control circuit diagram 4.5a-bipolar-stepper-motor-driver-schPaintbot parts: bipolar stepper circuit.

Bipolar Stepper Motor Driver | Electronic Schematic Diagram

stepper motor (bipolar)

4 wire bipolar stepper motor driver schematic4 wire bipolar stepper motor driver schematic Documentation bipolar stepper motor driver circuit2-5a-bipolar-stepper-motor-driver-sch.

Documentation bipolar stepper motor driver circuitSimple bipolar stepper motor drivers 4 wire bipolar stepper motor driver schematicSimple bipolar stepper motor drivers.

4 Wire Bipolar Stepper Motor Driver Schematic - Wiring Diagram

Paintbot parts: bipolar stepper circuit

4 wire bipolar stepper motor driver schematic4 wire bipolar stepper motor driver schematic Bipolar stepper motor driverBipolar stepper motor wiring diagram.

bipolar stepper motor driverPaintbot parts: bipolar stepper circuit 4 wire bipolar stepper motor driver schematic » wiring diagramBipolar stepper motor driver.

Bipolar Stepper Motor Driver - Instructables Simple Bipolar Stepper Motor Drivers - Build Brighton MakerSpace

Simple Bipolar Stepper Motor Drivers - Build Brighton MakerSpace

4 Wire Bipolar Stepper Motor Driver Schematic - Wiring Diagram

4 Wire Bipolar Stepper Motor Driver Schematic - Wiring Diagram

4 Wire Bipolar Stepper Motor Driver Schematic - Wiring Digital and

4 Wire Bipolar Stepper Motor Driver Schematic - Wiring Digital and

Bipolar Stepper Motor Driver Circuit - Circuit Diagram

Bipolar Stepper Motor Driver Circuit - Circuit Diagram

Stepper Motor Driver Ic L297 Schematic - songmust

Stepper Motor Driver Ic L297 Schematic - songmust